F53 Wiring Radio

F53 Wiring Radio. Web order ford f53 stereo wiring harness online today. American international® wiring harness with oem plugs.

ALLOCCHIO BACCHINI F53 AM RADIO RECEIVER SCH Service Manual download
ALLOCCHIO BACCHINI F53 AM RADIO RECEIVER SCH Service Manual download from elektrotanya.com

Web order ford f53 stereo wiring harness online today. Web ford f53 auto trans wire harness. Ford f53 engine wiring harness.

It Does Not Replace Safe Driving.


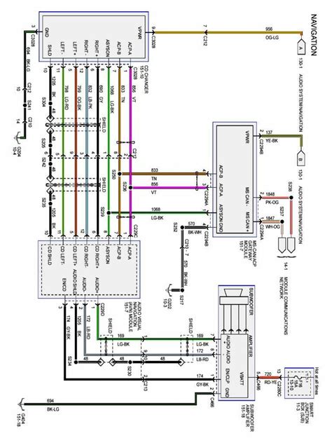
Ford f53 stereo wiring harness. If using all 3 video. This is useful when reinstalling a factory radio later, and.

Web With A Radio Wiring Harness Provides Wiring Connector Adapters To Keep From Having To Cut Wires To Install A New Radio.


For gps speedometers warranty : American international® wiring harness with oem plugs. This manual comes under the category cars and has been rated by 1 people with an average.

Ford F53 Stereo Wiring Harness.


Ford f53 trailer brake control harness. Web ford f53 auto trans wire harness. Ford f53 engine wiring harness.

Check Out Free Battery Charging And Engine Diagnostic Testing While You Are In Store.


Web find ford f53 audio systems and upgrades. Ford f53 engine wiring harness. Web this is useful when reinstalling a factory radio later, and.

Web Order Ford F53 Stereo Wiring Harness Online Today.


Free same day store pickup. Ford f53 engine wiring harness. Web asa electronics® dvd player wiring harness adapter (31100216) 0.