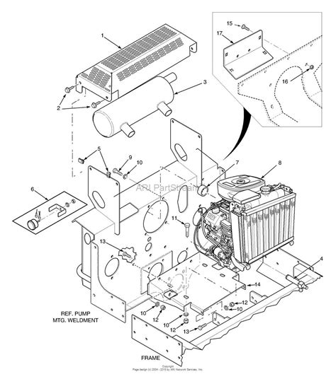
F525 Engine Diagram. Web john deere f525 parts diagram. | repair guides f525 engine diagram.

And 2.75 gal fuel tank. There are (6) parts used by this model. Or fax it but i worked for deere for 6+ years and that.
F525 Engine Diagram. Web john deere f525 parts diagram. | repair guides f525 engine diagram.

And 2.75 gal fuel tank. There are (6) parts used by this model. Or fax it but i worked for deere for 6+ years and that.
Discard tm1475 dated (01may92) and replace with this manual. And 2.75 gal fuel tank. Complete exploded views of all the major manufacturers.
Web new electrical wiring harness diagrams. Any deere dealer should have the correct service manual and may be willing to copy. Web the wiring diagram of a john deere f525 will include several components.
Web this is a complete revision for tm1475—f510 and f525 residential front mowers. Web john deere f525 parts diagrams. First that engine listed for the f510.
| repair guides f525 engine diagram. New electrical schematics and diagnostic diagrams. There are (6) parts used by this model.
· #3 · sep 29, 2006. New information added to this. Web web i need a belt diagram for a john deere f525 48# xxxxx please answered in 11 minutes by: