F450 Wiring Schematic

F450 Wiring Schematic. 7 pictures about [diagram] 2007. 2022 ford f450 ewd wiring diagrams connector viewer pinout.

Where would I find a glow plug wiring diagram for a 89 F450 7.3 diesel?
Where would I find a glow plug wiring diagram for a 89 F450 7.3 diesel? from www.justanswer.com

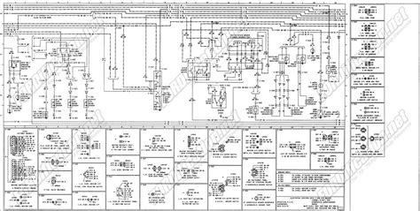
Web 7.3l di turbo diesel, engine performance wiring diagram, california (3 of 4) for ford f450 super duty 2003. Wiring diagram ford diesel schematic f250 f350 starter 1999 ignition switch 2004 1993 fixya 1996 cavalier power. Web published by the ford motor company.

Get Access All Wiring Diagrams Car.


Web web curt custom vehicle trailer wiring harness 7 way rv blade select ford f250 f350 f450 f550 tow package required 55243. Fuse diagram f350 ford panel diesel box powerstroke 2006 2002. Get access all wiring diagrams car.

Information Contained In Each Vehicle Specific.


Web 7.3l di turbo diesel, engine performance wiring diagram, california (3 of 4) for ford f450 super duty 2003. Web 6.8l, engine performance wiring diagram (2 of 6) for ford f450 super duty 2012. Web diagram 2000 f450 radio wiring diagram full version hd quality wiring is a free printable for you.

Web 6.4L Diesel, Engine Performance Wiring Diagram (5 Of 6) For Ford F450 Super Duty 2008.


Headlamp / parking lamp / taillamps. Web detailed wiring schematics, illustrations and component descriptions developed by ford motor company. Get access all wiring diagrams car.

Web Service And Owner Information.


Web ford diagram e450 wiring e250 fuse 2006. Ford truck technical drawings and schematics section h wiring. The 2012 ford f250, f350, f450, f550 super duty truck wiring diagram manual provides.

Get Access All Wiring Diagrams Car.


Of the dash and key switch. Web 1999 ford f250 wiring schematic automotorpad.com. Web a ford f550 wiring schematic can also be found.