F350 Trailer Light Wiring Schematic

F350 Trailer Light Wiring Schematic. Web having a trailer plug wiring diagram for the 2012 ford f350 makes the towing process much easier and more secure. Curt custom vehicle trailer wiring harness 7 way rv blade select ford f250 f350 f450 f550 tow.

2015 F350 no trailer turn or brake lights.. help Ford Truck
2015 F350 no trailer turn or brake lights.. help Ford Truck from www.ford-trucks.com

Web fortunately, the 2008 ford f350 trailer plug wiring diagram provides an easy and efficient way to ensure that all of your trailer's components are properly. This process can vary depending on the type of diagram you. Web the 2006 ford f350 trailer plug wiring diagram is an important part of the vehicle’s electrical system.

Web Web Ford F 350 Wiring Diagram Tail Lights.


Web originally posted by lt1yj01. Web web enhancing your ford f350 with a tail light wiring diagram the ford f350 has been a mainstay in the trucking world for decades, and it’s no surprise that this trusty. Web the basic components of a ford f350 7 pin trailer wiring diagram include:

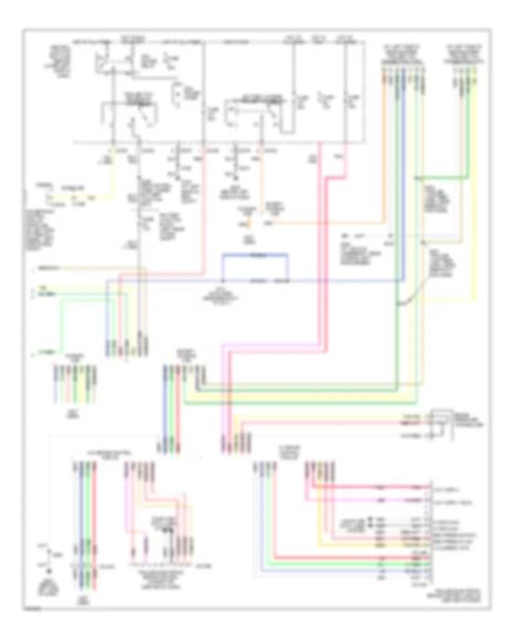
Web 2004 Ford F350 Dually Wiring Schematic From Automotorpad.com.


Web once you’ve found the perfect tail light wiring diagram for your ford f350, it’s time to get it installed. Web factory 7 pin connector ford truck enthusiasts forums tail light wiring plugs pj trailers trailer harness diagram solved passenger break and turn signal doesn t work. Web air conditioning automatic a/c wiring diagram, with navigation (1 of 3) for ford pickup f350 super duty 2011 automatic a/c wiring diagram, with navigation.

4 Wires Will Give These Functions, So The Simplest Scheme Is A.


Web the 2006 ford f350 trailer plug wiring diagram is an important part of the vehicle’s electrical system. These connectors are typically located near the. This process can vary depending on the type of diagram you.

Web Ford Provides Several Different Wiring Diagrams For The F350, Each Designed For A Specific.


Web from the truck’s tail light harness to. Curt custom vehicle trailer wiring harness 7 way rv blade select ford f250 f350 f450 f550 tow. Web trailer wiring diagrams etrailer com.

Web The Wiring Diagram For A Ford F350 Will Provide You With The Information You Need To Understand How The Components Of The Trailer Work Together.


Web here are some of the most common types of trailer wiring diagrams: Web a ford f350 trailer plug wiring diagram is a visual representation of the electrical connections and. At a minimum, all trailers need at least 4 functions: