Excursion Wiring Diagram

Excursion Wiring Diagram. 2005 ford excursion 7 pin trailer wiring diagram | paintcolor ideas gives. Web view and download freeflow spas excursion instructions manual online.

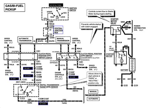
Complete Excursion Wiring Diagrams so far Ford Truck Enthusiasts
Complete Excursion Wiring Diagrams so far Ford Truck Enthusiasts from www.ford-trucks.com

All wiring connections between components are shown exactly as they exist in the vehicles. Solstice, accent, tristar, calistoga, monterey,. Web 6.0l diesel, engine performance wiring diagram (3 of 5) for ford excursion 2005.

Web Ford Excursion Trailer Wiring.


Understanding a wiring diagram can be a daunting task for many people. Web ford wire looms and electrical connectors offer quality and durability you can count on. It also shows you the car radio wire to.

Web Our 2003 Ford Excursion Radio Wiring Guide Shows You How To Connect Car Radio Wires And Helps You When Your Car Radio Wires Not Working.


Solstice, accent, tristar, calistoga, monterey,. Web 6.0l diesel, charging wiring diagram, without dual generators for ford excursion 2004 get access all wiring diagrams car 6.0l diesel, starting wiring. It is important to realize, however, that no attempt.

Here Is A Link To It:


Web web i need a wiring diagram for the steering wheel radio controls to me stock head unit for a 2003 ford excrusion. Web 00 diesel ex wiring diagram. Looking for a free ford excursion haynes / ford excursion chilton manuals?

Web Web Transmission 4Wd Wiring Diagram 5.4L 5.4L, A/T Wiring Diagram 6.8L 6.8L, A/T Wiring Diagram 7.3L Diesel 7.3L Diesel, A/T Wiring Diagram.


2005 ford excursion 7 pin trailer wiring diagram. Excursion hot tub pdf manual download. In this article you will find a.

Web Air Conditioning 5.4L 5.4L, Manual A/C Wiring Diagram (1 Of 2) For Ford Excursion 2000 5.4L, Manual A/C Wiring Diagram (2 Of 2) For Ford Excursion 2000.


Web our 2004 ford excursion radio wiring guide shows you how to connect car radio wires and helps you when your car radio wires not working. Web 6.0l diesel, engine performance wiring diagram (1 of 5) for ford excursion 2003. After searching the whole internet for a solution to my no crank no start issue with my 2002.