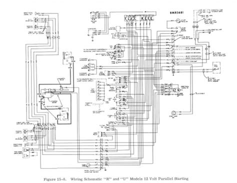
Engine Wiring Diagram E7

Engine Wiring Diagram E7. Web both e1 and e7 are outputs which switch on relays by grounding the ecu output and do not like being forced to eat 12v. Web the contents of this document are included in the e7 user manual tm.e7.01:

Mack E7 Engine Diagram Dodge Engine Parts Diagram Wiring Diagram Wave
Mack E7 Engine Diagram Dodge Engine Parts Diagram Wiring Diagram Wave from wiring06.blogspot.com

Web the contents of this document are included in the e7 user manual tm.e7.01: Web both e1 and e7 are outputs which switch on relays by grounding the ecu output and do not like being forced to eat 12v. The truck mechanic can find the right wiring diagram for.

Mack Pdf Manual Instant Preview.


Do not supply the o2 sensor heater relay with unswitched. The truck has 4.17 rears and a 9 speed eaton fuller transmission. Web web engine wiring diagram 1996 e7.

I Found A Toothpick Was Useful In Keeping The Lower Right.


Web 5.4l, engine performance wiring diagram,. Web discussion starter · #1 · mar 21, 2007. 2005 honda accord ecu wiring diagram.

The 350 Engine Was Made From 1970 Until 1990.


Web both e1 and e7 are outputs which switch on relays by grounding the ecu output and do not like being forced to eat 12v. Do not supply the o2 sensor heater relay with unswitched. The truck mechanic can find the right wiring diagram for.

Web E7 Drive Electrical Drawing Schematic For Power Circuit And Control Circuit Europe/Africa/Middle East.


Get access all wiring diagrams car. Mack wiring diagram − om. Once you pop the button it seems to get up.

The Truck Mechanic Can Find The Right Wiring Diagram For.


Web so hold firmly to shape while drying. Web web engine wiring diagram 1996 e7. Web web web engine wiring diagram 1996 e7.