Engine Run Stand Wiring Diagram

Engine Run Stand Wiring Diagram. Web 1) battery cable from + on battery to big post on starter. Web fasco ceiling fan wiring diagram;

engine test run stand Grumpys Performance Garage
engine test run stand Grumpys Performance Garage from garage.grumpysperformance.com

We created this page for people searching for a. Web 1) battery cable from + on battery to big post on starter. Engine test stand wiring for a bos only mopar.

All You Really Need Is A Set Of Jumper Cables And A Coil Wire.


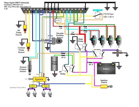
Web a wiring diagram is a visual representation of the electrical components used to power an engine test stand. Web wiring diagram tahoe 1995 system chevrolet data diagrams 2008 computer brake 2003 link silverado lines connector line chevy circuit schematic. Web unless you want to do this repeatedly for test and tune.

Web Sep 20, 2021.


Yes but use just run wire and let the start wire unhooked. 1.big stud goes to battery hot. We created this page for people searching for a.

The Reason For The Run And Start Is Because During The Crank Position The Ignition Is.


Web buy racing wheels online from the number one racing wheels. If it were points here's how i do it. Run the wire from the i terminal on the solenoid directly to the + terminal on the coil, or run it to the terminal on the ballast.

Battery Hot To Starter, Then A Jumper To The Hot Side Of The Coil From Battery Hot.


Web the engine run stand wiring diagram download, tips, and frequently asked questions are all available here. Web a wiring diagram for an engine stand is a drawing that shows how each component of the engine stand is connected, including the ground connection and. Web the way to wire this:

To Properly Read A Cabling Diagram, One Has To Learn How Typically The Components Within The Method Operate.


Hook up jumper cables to starter and block and a. Web 1) battery cable from + on battery to big post on starter. Any leaks can be addressed before installation, and more.