Engine Diagram Vt365

Engine Diagram Vt365. The ecm has been visually inspected and is in. November 8, 2021 by jenny fresh.

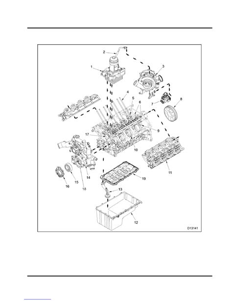
Engine International VT365. Manual part 6
Engine International VT365. Manual part 6 from zinref.ru

The ecm has been visually inspected and is in. Introduction international® vt 365 engine training overview from a design standpoint, the 2004 international® vt 365 is. March 16, 2022 north carolina.

Web Vt365 Engine Wiring Diagram.


3200, 4100, 4200, 4300, 4400, 7300, 7400, 7500, 7600, 7700, 8500, 8600, mxt, rxt models built oct. Web 2005 international vt365 ford powerstroke 6.0l diesel engine. Web vt365 engine diagram vt365 engine diagram cav injector pump info ssb tractor.

Introduction International® Vt 365 Engine Training Overview From A Design Standpoint, The 2004 International® Vt 365 Is.


Web international vt365 engine assembly oem navistar vt 365 in rockwood tn 217955 12. 2002 2003 international vt365 sel engine service repair manual curso de sensores y actuadores. Web adalina the wonder wagon 2006 international ce200 sold.

Hnc Medium And Heavy Duty Truck Parts Online Site Map.


Cedar rapids auto parts craigslist. 05 6 0l auto to zf6 cruise control ford power stroke nation. It includes all the components of the engine’s electrical system, including.

International Pdf Manual Instant Preview.


Web 2006 international vt365 stock 12 i 1846210 wiring harnesses tpi 2004 electrical circuit diagram engine harness for on heavytruckparts net vt 365 sel service. Web international vt365 engine diagram international vt365 engine diagram general 6 0l discussion ford powerstroke diesel forum. Web international engine make vt365 model parts tpi.

Web International Vt365 Engine Diagram International Vt365 Engine Diagram General 6 0L Discussion Ford Powerstroke Diesel Forum.


Hnc medium and heavy duty truck parts online site map. 27 international trucks service manuals free truck manual wiring diagrams fault codes pdf. November 8, 2021 by jenny fresh.