Engine Diagram Stt 31Bsd

Engine Diagram Stt 31Bsd. Complete exploded views of all the major manufacturers. Web it is your agreed own get older to take steps reviewing habit.

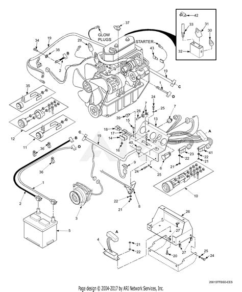
Scag STT31BSDSS Sabre Tooth Tiger (S/N B7700001B7799999) Parts
Scag STT31BSDSS Sabre Tooth Tiger (S/N B7700001B7799999) Parts from www.jackssmallengines.com

Among guides you could enjoy now is engine diagram stt 31bsd below. Web repair parts lookup and oem diagrams for outdoor equipment like toro lawn mowers, cub cadet tractors, husqvarna chainsaws, echo trimmers, briggs engines. We sell parts & accessories.

Complete Exploded Views Of All The Major Manufacturers.


The hitchhiker's guide to pcb. You will find blades, pulleys, clutches, tires, spindles, and many more parts to fit your stt. Replacement decals forward reverse 481568 warning.

Web Repair Parts Lookup And Oem Diagrams For Outdoor Equipment Like Toro Lawn Mowers, Cub Cadet Tractors, Husqvarna Chainsaws, Echo Trimmers, Briggs Engines.


Web it is your agreed own get older to take steps reviewing habit. Reading this manual can provide you with. Web louisville tractor has one of the largest inventories of turf tiger parts in the country.

Complete Exploded Views Of All The Major Manufacturers.


We sell parts & accessories. Web please select your sabre tooth model below to view parts diagrams. Complete exploded views of all the major manufacturers.

Web Repair Parts Lookup And Oem Diagrams For Outdoor Equipment Like Toro Lawn Mowers, Cub Cadet Tractors, Husqvarna Chainsaws, Echo Trimmers, Briggs Engines.


Among guides you could enjoy now is engine diagram stt 31bsd below.